全國服務熱線
Copyright © 河(he)北绵阳春洁精密(mì)制造有限责任公(gōng)司(急速版) 版權所(suǒ)有 備案号:冀ICP備2021001625号(hào)-1
技術支持:華軸網(wǎng)


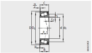
| 型号 | |
|---|---|
| 軸承 | JK0S080-A |
| 卡環(huán) | BR125 |
| 尺寸mm | |
| d | 80 |
| D | 125 |
| B | 30 |
| C | 29.5 |
| r1, r2 min | 1.5 |
| D 1 | 119.8 |
| m/2 | 1.25 |
| a ≈ | 28 |
| u | 0.03 |
| Δ u 偏差 | +0.05 |
| d 1 ≈ | 104.2 |
| 安裝尺(chǐ)寸mm | |
| 軸 d a max | 89 |
| 軸 d b min | 87 |
| 軸 r a max | 1.5 |
| 槽 D n 公稱(chēng)尺寸 | 127.3 |
| 槽 Δ Dn 偏差 | +0.25 |
| 基本(běn)額定載荷N | |
| 動載荷(he) C r | 137000 |
| 靜載荷 C or | 211000 |
| 計算系數(shu) | |
| e | 0.42 |
| Y | 1.42 |
| Y 0 | 0.78 |
| C ur | 26000 |
| 質量 軸承 1) m ≈kg | |
| 質量 軸(zhóu)承 1) m ≈kg | 1.32 |
| 極限轉速 n G 脂 min –1 | |
| 極(ji)限轉速 n G 脂 min –1 | 2280 |
| 承載能(néng)力 F BR 2) N | |
| 承載能力 F BR 2) N | 40200 |
| 組件(jian)最大軸向 鎖緊力(li) 配對軸承 N | |
| 組件最(zuì)大軸向 鎖緊力 配(pei)對軸承 N | 27400 |
•›•
··•·›
·