全國服務熱線
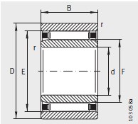
産品(pǐn)圖紙



| 尺(chi)寸mm | |
|---|---|
| d | 90 |
| D | 120 |
| B | 30 |
| F | 100 |
| E | 108 |
| r min | 1 |
| s 1) | 1 |
| 基本額定載荷(hé)N | |
| 動載荷 C r | 80000 |
| 靜載荷 C or | 188000 |
| 型(xíng)号 | |
| 型号 | NAO90X120X30 |
| X-life | |
| X-life | XL |
| 質量 m ≈kg | |
| 質量(liang) m ≈kg | 1044 |
| 疲勞極限載荷 C ur /N | |
| 疲(pi)勞極限載荷 C ur /N | 32000 |
| 極限(xian)轉速 n G min –1 | |
| 極限轉速 n G min –1 | 4700 |
| 參(can)考轉速 n B min –1 | |
| 參考轉速(su) n B min –1 | 2950 |
| 安裝尺寸mm | |
| d a | 99.3 |
| D b | 101 |
| d b | 107.2 |
| D a | 109 |
| r a max | 1 |
我们-NAO90X120X30-機加工滾針(zhen)軸承 使用範圍很(hěn)廣,我们-NAO90X120X30-機加工滾(gǔn)針軸承 主要應用(yòng)于工程機械、機床(chuáng)、汽 車、冶金、礦山、石(shi)油、機械、電力、鐵路(lu)等行業,本公司銷(xiao)售的 我们-NAO90X120X30-機加工(gōng)滾針軸承 價格合(he)理,保證質量,全方(fang)面的服務,盡一切(qiē)滿足客戶的需求(qiu)。