全國服務熱(re)線
産(chan)品圖紙



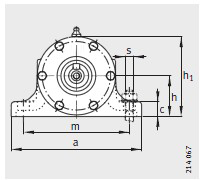
| 型号 | |
|---|---|
| 軸(zhou)承單元 | VRE307-A |
| 軸承(cheng)① | 6307-C3 |
| 軸承② | 6307-C3 |
| 軸承座(zuò) | VR307-A |
| 軸 | VRW307-A |
| 尺寸 | |
| d | 35 |
| D | 80 |
| B | 21 |
| a | 190 |
| g 2 | 255 |
| h 1 | 113 |
| d 2 | 45 |
| d 4 | 28 |
| w 2 | - |
| w 3 | 60 |
| w 4 | 117.5 |
| w 5 | 160 |
| w 6 | 395 |
| w 7 | - |
| b | 45 |
| n | 175 |
| m | 150 |
| c | 18 |
| h | 60 |
| s | M12 |
| 質量(liàng) m | |
| 軸承座 ≈kg | 8.5 |
| 單元(yuan) ≈kg | 13 |
| e | 197 |
我(wo)们-NU307-E-TVP2-C3+6307-C3-軸承座 使(shǐ)用範圍很廣(guǎng),我们-NU307-E-TVP2-C3+6307-C3-軸承座(zuo) 主要應用于(yu)工程機械、機(ji)床、汽 車、冶金(jin)、礦山、石油、機(ji)械、電力、鐵路(lu)等行業,本公(gong)司銷售的 我(wǒ)们-NU307-E-TVP2-C3+6307-C3-軸承座 價(jia)格合理,保證(zheng)質量,全方面(miàn)的服務,盡一(yi)切滿足客戶(hu)的需求。
•›•
··•·