全國服務熱線
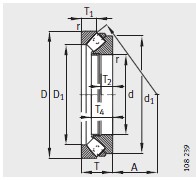
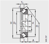
産品圖紙



| 尺寸mm | |
|---|---|
| d | 360 |
| D | 640 |
| T | 170 |
| D 1 | 475 |
| d 1 | 580 |
| r min | 7.5 |
| T 1 | 82 |
| T 2 | 61 |
| T 3 | 108 |
| T 4 | 121 |
| T 5 | - |
| A | 210 |
| 安裝尺寸(cun)mm | |
| d a min | 485 |
| D a max | 560 |
| D b min | 650 |
| d b max | 391 |
| r a max | 6 |
| 基本額定載荷N | |
| 動(dong)載荷 C a | 5400000 |
| 靜載荷 C oa | 20400000 |
| 型号(hao) | |
| 型号 | 29472-E-MB |
| 質量m ≈kg | |
| 質量m ≈kg | 219 |
| 疲(pí)勞極限載荷 C ua N | |
| 疲勞(láo)極限載荷 C ua N | 1130000 |
| 極限轉(zhuǎn)速 n G min –1 | |
| 極限轉速 n G min –1 | 750 |
| 參考(kǎo)轉速 n B min –1 | |
| 參考轉速 n B min –1 | 495 |
聯系(xì)電話
傳真
Copyright © 河北绵阳(yáng)春洁精密制造有(you)限责任公司(急速(su)版) 版權所有 備案(àn)号:冀ICP備2021001625号-1
技術支(zhī)持:華軸網