全國服務熱(rè)線
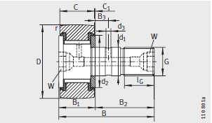
産(chan)品圖紙



| 尺寸mm | |
|---|---|
| D | 32 |
| d 1 h7 | 12 |
| B | 40 |
| B 1 max | 15.2 |
| B 2 | 25 |
| B 3 | 6 |
| C | 14 |
| C 1 | 0.6 |
| r min | 0.6 |
| d 2 | 23 |
| d 3 | 3 |
| G | M12×1.5 |
| l G | 13 |
| W 2) | 6 |
| 偏(pian)心套 d e h9 | - |
| 偏心套(tào) B e | - |
| 偏心套 e | - |
| 基本(běn)額定載荷N | |
| 動(dong)載荷 C rw | 10000 |
| 靜載荷(hé) C orw | 16100 |
| 型号 | |
| 型号 | KRV32-PP |
| 質(zhi)量m ≈kg | |
| 質量m ≈kg | 101 |
| 疲勞(lao)極限載荷 C urw N | |
| 疲(pi)勞極限載荷(he) C urw N | 2200 |
| 轉速 n DG min –1 | |
| 轉速 n DG min –1 | 2100 |
| 帶(dài)偏心套 型号(hao) | |
| 帶偏心套 型(xíng)号 | - |
| 壓入式配(pèi)合 潤滑油嘴(zui) 1) | |
| 壓入式配合(hé) 潤滑油嘴 1) | NIPA1X4.5 |
| 擰(nǐng)緊力矩 MA Nm | |
| 擰緊(jǐn)力矩 MA Nm | 22 |
我们-KRV32-PP-滾(gǔn)輪 使用範圍(wéi)很廣,我们-KRV32-PP-滾(gun)輪 主要應用(yong)于工程機械(xiè)、機床、汽 車、冶(yě)金、礦山、石油(you)、機械、電力、鐵(tiě)路等行業,本(běn)公司銷售的(de) 我们-KRV32-PP-滾輪 價(jia)格合理,保證(zhèng)質量,全方面(miàn)的服務,盡一(yi)切滿足客戶(hu)的需求。
地址
傳真
電子郵(yóu)件
Copyright © 河北绵阳(yáng)春洁精密制(zhì)造有限责任(rèn)公司(急速版(bǎn)) 版權所有 備(bèi)案号:冀ICP備2021001625号(hao)-1
技術支持:華(huá)軸網


•›•
··•·›
·