全國服務熱(re)線
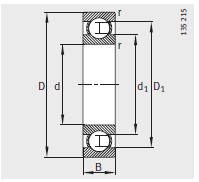
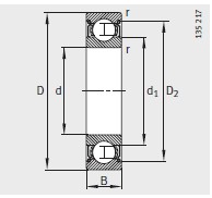
産品(pǐn)圖紙



| 尺寸 mm | |
|---|---|
| d | 20 |
| D | 32 |
| B | 7 |
| r min | 0.3 |
| D 1 ≈ | 28.1 |
| D 2 ≈ | - |
| d 1 ≈ | 24 |
| 安裝(zhuāng)尺寸 mm | |
| d a min | 22 |
| D a max | 30 |
| r a max | 0.3 |
| 基本額(é)定載荷 N | |
| 動載(zǎi)荷 C r | 3900 |
| 靜載荷 C or | 2320 |
| 型(xíng)号 | |
| 型号 | 61804 |
| 質量(liàng)m ≈kg | |
| 質量m ≈kg | 0.018 |
| 疲勞極(jí)限載荷 C ur / N | |
| 疲勞(lao)極限載荷 C ur / N | 117 |
| 極(ji)限轉速 n G /min –1 | |
| 極限(xian)轉速 n G /min –1 | 24000 |
| 參考轉(zhuǎn)速 n B /min –1 | |
| 參考轉速(su) n B /min –1 | 16600 |
