全國服(fu)務熱線(xian)
産(chǎn)品圖紙(zhi)



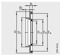
| 型号(hao)1 | AXW30 |
| 質量m ≈kg | 22 |
| 尺(chǐ)寸mm | |
| D c1 | 30 |
| D 1 | 37 |
| D | 50 |
| B | 3.2 |
| B 1 | 4 |
| 滾道(dào)尺寸 | |
| E b | 34 |
| E a | 46 |
| 基(jī)本額定(dìng)載荷N | |
| 動(dong)載荷 C a | 16300 |
| 靜(jìng)載荷 C oa | 70000 |
| 疲(pi)勞極限(xiàn)載荷 C ua N | |
| 疲(pi)勞極限(xian)載荷 C ua N | 7100 |
| 極(jí)限轉速(su) n G min –1 | |
| 極限轉(zhuǎn)速 n G min –1 | 7300 |
| 參考(kǎo)轉速 n B min –1 | |
| 參(cān)考轉速(sù) n B min –1 | 3600 |