全國服務熱線(xian)
産(chǎn)品圖紙



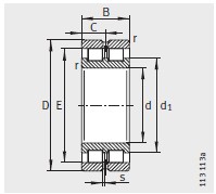
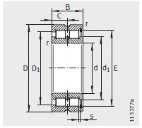
| 尺寸mm | |
|---|---|
| d | 360 |
| D | 440 |
| B | 80 |
| r min | 2.1 |
| s | 6 |
| 安裝尺(chi)寸mm | |
| c | 40 |
| d 1 ≈ | 391 |
| D 1 ≈ | - |
| E | 419.8 |
| 基本額定載(zǎi)荷N | |
| 動載荷 C r | 900000 |
| 靜載(zai)荷 C or | 2480000 |
| 半定位軸承(cheng) 型号 | |
| 半定位軸(zhou)承 型号 | - |
| 定位軸(zhóu)承 型号 | |
| 定位軸(zhou)承 型号 | - |
| 浮動軸(zhou)承 型号 | |
| 浮動軸(zhóu)承 型号 | SL024872 |
| 型号按(an)照 DIN5412 | |
| 型号按照 DIN5412 | NNCL4872V |
| 質(zhi)量 m ≈kg | |
| 質量 m ≈kg | 26 |
| 疲勞極(jí)限載荷 C ur / N | |
| 疲勞極(jí)限載荷 C ur / N | 244000 |
| 極限轉(zhuǎn)速 n G /min –1 | |
| 極限轉速 n G /min –1 | 810 |
| 參(can)考轉速 n B /min –1 | |
| 參考轉(zhuǎn)速 n B /min –1 | 430 |

