全國服務熱(re)線
産品圖(tu)紙


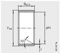
| 尺寸mm | |
|---|---|
| d | 65 |
| F | 72 |
| D | 90 |
| B | 34 |
| C | - |
| r min | 1 |
| 基本額(é)定載荷N | |
| 徑向(xiàng) 動載荷/C r | 69000 |
| 徑向(xiàng) 靜載荷/C or | 112000 |
| 軸向(xiang) 動載荷/C r | 12800 |
| 軸向(xiang) 靜載荷/C or | 34000 |
| X-life | |
| X-life | XL |
| 極限(xian)轉速 n G min –1 | |
| 極限轉(zhuan)速 n G min –1 | 6300 |
| 質量m ≈kg | |
| 質量(liàng)m ≈kg | 635 |
| 疲勞極限載(zai)荷N | |
| C ur | 19500 |
| C ua | 1510 |
| 型号 | |
| 型号(hao) | NKIA5913 |
| 參考轉速 n B min –1 | |
| 參(cān)考轉速 n B min –1 | 5500 |
