全國服務熱線
産品圖紙



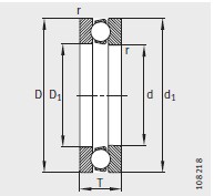
| 型号 | |
|---|---|
| 型号 | 51268-MP |
| 尺(chi)寸mm | |
| d | 340 |
| D | 460 |
| T | 96 |
| D 1 | 345 |
| d 1 | 455 |
| r min | 3 |
| 安裝尺寸mm | |
| d a min | 412 |
| D a max | 388 |
| r a max | 2.5 |
| 基本(ben)額定載荷N | |
| 動載荷(he) C a | 620000 |
| 靜載荷 C oa | 3050000 |
| 疲勞極限(xiàn)載荷 C ua N | |
| 疲勞極限載(zai)荷 C ua N | 67000 |
| 最小載荷系數(shu) A | |
| 最小載荷系數 A | 50 |
| 極(jí)限轉速 n G min –1 | |
| 極限轉速(su) n G min –1 | 800 |
| 質量m ≈kg | |
| 質量m ≈kg | 47.6 |
我(wǒ)们-51268-MP-推力球軸承 使(shi)用範圍很廣,我们(men)-51268-MP-推力球軸承 主要(yào)應用于工程機械(xie)、機床、汽 車、冶金、礦(kuang)山、石油、機械、電力(li)、鐵路等行業,本公(gōng)司銷售的 我们-51268-MP-推(tui)力球軸承 價格合(hé)理,保證質量,全方(fāng)面的服務,盡一切(qiē)滿足客戶的需求(qiú)。


›
·