全國服務熱(re)線
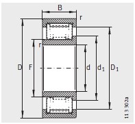
産品圖紙



| 尺寸(cun)mm | |
|---|---|
| d | 30 |
| D | 72 |
| B | 27 |
| r min | 1.1 |
| s 1) | 2 |
| 安裝尺寸mm | |
| F | 38.3 |
| d 1 ≈ | 43.5 |
| D 1 ≈ | 56 |
| 基(ji)本額定載荷(hé)N | |
| 動載荷 C r | 94000 |
| 靜載(zai)荷 C or | 80000 |
| 型号 | |
| 型号(hào) | ZSL192306 |
| X-life | |
| X-life | XL |
| 質量 m ≈kg | |
| 質量 m ≈kg | 0.55 |
| 疲(pí)勞極限載荷(he) C ur / N | |
| 疲勞極限載(zai)荷 C ur / N | 13400 |
| 極限轉速(sù) n G /min –1 | |
| 極限轉速 n G /min –1 | 13900 |
| 參(cān)考轉速 n B /min –1 | |
| 參考(kǎo)轉速 n B /min –1 | 8500 |
河北绵阳(yáng)春洁精密制(zhì)造有限责任(rèn)公司(急速版(ban))專業銷售 我(wǒ)们-ZSL192306-圓柱滾子(zi)軸承, 我们-ZSL192306-圓(yuan)柱滾子軸承(chéng) 相關信息有(yǒu): 型号 我们-ZSL192306 内(nei)徑:30 外徑:72 厚度(du):27 類别:圓柱滾(gun)子軸承 ,想要(yào)更多的了解(jie) 我们-ZSL192306-圓柱滾(gun)子軸承 的相(xiang)關信息,可以(yǐ)進行在線咨(zi)詢或者撥打(da)熱線電話 ,我(wǒ)們會詳細為(wei)您服務。

·