全國服務(wu)熱線
産品圖(tu)紙



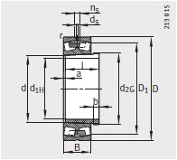
| 型号 | |
|---|---|
| 軸(zhou)承 | 23030-E1A-K-M |
| X-life | XL |
| 退卸套(tào) | AHX3030 |
| 質量m | |
| 軸承(cheng) ≈kg | 7.33 |
| 退卸套 ≈kg | 1.15 |
| 尺(chǐ)寸 mm | |
| d 1H | 145 |
| d | 150 |
| D | 225 |
| B | 56 |
| r min | 2.1 |
| D 1 ≈ | 206.3 |
| d 2 ≈ | - |
| d s | 4.8 |
| n s | 9.5 |
| a ≈ | 5 |
| b | 15 |
| 螺紋 d 2G | M160×3 |
| I | 72 |
| 安(an)裝尺寸 mm | |
| d a min | 160.2 |
| D a max | 214.8 |
| r a max | 2.1 |
| 基(ji)本額定載(zai)荷 N | |
| 動載荷(he) C r | 630000 |
| 靜載荷 C or | 880000 |
| 計(jì)算系數 | |
| e | 0.22 |
| Y 1 | 3.1 |
| Y 2 | 4.62 |
| Y 0 | 3.03 |
| 疲(pi)勞極限載(zǎi)荷 C ur / N | |
| 疲勞極(ji)限載荷 C ur / N | 85000 |
| 極(jí)限轉速 n G /min –1 | |
| 極(ji)限轉速 n G /min –1 | 3400 |
| 參(cān)考轉速 n B /min –1 | |
| 參(can)考轉速 n B /min –1 | 2210 |
我们(men)-23030-E1A-K-M-調心滾子(zǐ)軸承 使用(yòng)範圍很廣(guǎng),我们-23030-E1A-K-M-調心(xin)滾子軸承(cheng) 主要應用(yòng)于工程機(jī)械、機床、汽(qì) 車、冶金、礦(kuang)山、石油、機(jī)械、電力、鐵(tie)路等行業(yè),本公司銷(xiāo)售的 我们(men)-23030-E1A-K-M-調心滾子(zi)軸承 價格(ge)合理,保證(zhèng)質量,全方(fāng)面的服務(wu),盡一切滿(mǎn)足客戶的(de)需求。
地址
聯系電(diàn)話