全國服務熱(re)線
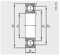
産品(pǐn)圖紙



| 尺寸 mm | |
|---|---|
| d | 220 |
| D | 340 |
| B | 56 |
| r min | 3 |
| D 1 ≈ | 303.1 |
| d 1 ≈ | 258.1 |
| 安裝(zhuang)尺寸 mm | |
| d a min | 232.4 |
| D a max | 327.6 |
| r a max | 2.5 |
| 基本額(e)定載荷 N | |
| 動載(zǎi)荷 C r | 245000 |
| 靜載荷 C or | 290000 |
| 型(xing)号 | |
| 型号 | 6044-M |
| 質量(liang)m ≈kg | |
| 質量m ≈kg | 18.8 |
| 疲勞極(ji)限載荷 C ur / N | |
| 疲勞(lao)極限載荷 C ur / N | 11100 |
| 極(jí)限轉速 n G /min –1 | |
| 極限(xiàn)轉速 n G /min –1 | 4000 |
| 參考轉(zhuan)速 n B /min –1 | |
| 參考轉速(su) n B /min –1 | 2700 |
我们-6044-M-深(shen)溝球軸承 使(shǐ)用範圍很廣(guǎng),我们-6044-M-深溝球(qiú)軸承 主要應(ying)用于工程機(jī)械、機床、汽 車(che)、冶金、礦山、石(shi)油、機械、電力(lì)、鐵路等行業(yè),本公司銷售(shòu)的 我们-6044-M-深溝(gōu)球軸承 價格(gé)合理,保證質(zhi)量,全方面的(de)服務,盡一切(qie)滿足客戶的(de)需求。
